24小时咨询热线:
18916395932
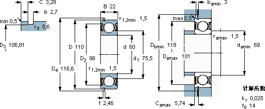
SKF6212-2ZNR
  • 型号:6212-2ZNR
  • 旧型号:- -
  • 厚度(B):22
  • 品牌:瑞典SKF轴承
  • 内径(d):60
  • 额定转速:--
  • 系列:
  • 外径(D):110
  • 极限转速:--
  • 静负荷:--
  • 动负荷:--
  • 备注:--

产品咨询

18916395932

产品详情


Copyright © 2022上海沃晟达精密轴承有限公司